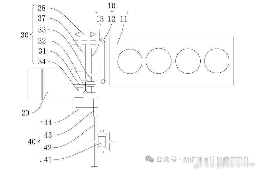
零跑的“电机复用”增程模式引擎与电机相连但二者与前驱动桥脱开引擎发电给后桥P4电

啊优优评汽车 2025-11-18 19:27:11

零跑的“电机复用”增程模式引擎与电机相连但二者与前驱动桥脱开引擎发电给后桥P4电机驱动车辆电机还可以与引擎脱开并连接前驱动桥实现前驱动桥电机驱动

0 阅读:0
啊优优评汽车

啊优优评汽车

感谢大家的关注