在高速发展的电子世界中,每一个微小元件都至关重要。我们的通用型快恢复二极管,犹如一颗璀璨之星,专为提升产品效率和可靠性而精心打造。它具备卓越性能,为您的设备带来质的飞跃。欢迎深入了解,让它成为您电子设备的强大助力!
01产品特点
反向恢复时间(TRR):介于35ns~500ns之间;
拥有低VF值和低IR;
电流范围为1A~300A,电压范围为100V~1700V多样封装选择,可灵活匹配各类电源设计;
02产品应用
通用型快恢复二极管的应用领域非常广泛,涵盖电源管理、逆变器、充电器等领域。随着电子技术的不断发展,对高效、可靠的电子元件需求不断增加,通用型快恢复二极管的市场前景十分广阔,以下为通用型快恢复二极管在各种领域上的应用:
PFC电路领域的应用:

PFC电路原理图
当输出功率为100W时,推荐型号:MUR460、MUR460C 。

当输出功率为100W以上时,推荐型号:
MUR860ACT、MURE1060ACT、MUR1060ACT、MUR1660ACT。

次级整流的应用及VCC供电线路应用:
LED电源、电源VCC供电、POE电源、音响电源、充电器领域的应用:

LED电源、电源VCC供电、POE电源、音响电源、充电器应用原理图
· LED电源:输出电流500MA以内的应用可用到1A~5A的快恢复二极管,根据灯珠串数来定输出电压。
当电流输出为300MA~350MA时,推荐型号:ES3GB、ES3JB;
当电流输出为500MA时,推荐型号:ES5JSP。

· 电源VCC供电:
在电源VCC供电线路,推荐型号:
RS1M、ES1JFL、RS1010FL(F7)等。

· POE电源:
当输出为48V/350MA时,推荐型号:ES3GB、ES3JB(根据变压器的匝比而定)。

· 音响电源、电动自行车充电器、多串锂电池充电器、LED电源:
在音响电源、电动自行车充电器、多串锂电池充电器、LED电源领域,推荐型号:MUR1620CT、MUR1640CT、MUR2040CT。

· 72V以上的充电器和LED电源:
在72V以上的充电器和LED电源领域,推荐型号:
MUR1660CT、MUR2060CT。

电焊机领域的应用:

电焊机应用原理图
在电焊机领域,推荐型号:
MUR3060PT、MURE3060PT、MUR4060PT、 MUR6060PT。

电力电源领域的应用:

电力电源应用原理图
在电力电源领域,推荐型号:
MURE860ACF、MUR860ACF、MUR1060ACF、MUR1040ACT、MURE1640CT、MURE1660ACT、MUR1660ACF、MUR2030CTF、MURE3060ACT、MUR3030PT。

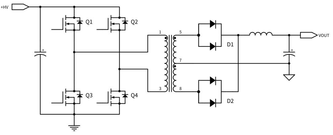
逆变器领域的应用:

逆变器应用原理图
当输出电压为220VAC/50Hz时,推荐型号:
MUR1060CT、MUR1660CT、MUR2060CT。
当输出电压为110VAC/60Hz时,推荐型号:
MURE4030CT、MURE6030PTS、MURE6030WB。

UPS领域的应用:

UPS应用原理图
在UPS、太阳能光伏控制器、变频器辅助电源等领域,推荐型号:
MURE10120ACTI、MURE15120ACT、MURE15120ACTI、MURE20120ACT、MURE30120APTI、MURE40120APT、MURE40120APTI、MURE75120APT。

03应用领域

选型小贴士
1.根据应用需求选择合适的电流、电压规格。
2.考虑封装形式,确保与系统设计兼容。
3.关注恢复时间和损耗特性,优化系统效率。