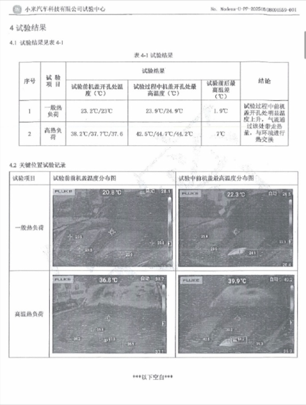
【SU7 Ultra“挖孔机盖”纠纷开庭,小米答辩中称此前雷军已反复提醒谨慎选装】小米SU7 Ultra挖孔机盖纠纷案近日开庭。小米汽车提交风洞测试报告,主张其碳纤维挖孔机盖在特定行驶状态下仍具备空气动力学功能。此外,小米方面称,此前雷军已在发布会与直播中反复提醒消费者“量产车与原型车设计存在差异”,并建议用户审慎选装该配置。目前该案件已被再次推迟审理。







【SU7 Ultra“挖孔机盖”纠纷开庭,小米答辩中称此前雷军已反复提醒谨慎选装】小米SU7 Ultra挖孔机盖纠纷案近日开庭。小米汽车提交风洞测试报告,主张其碳纤维挖孔机盖在特定行驶状态下仍具备空气动力学功能。此外,小米方面称,此前雷军已在发布会与直播中反复提醒消费者“量产车与原型车设计存在差异”,并建议用户审慎选装该配置。目前该案件已被再次推迟审理。







猜你喜欢
【35评论】【3点赞】
【159评论】【37点赞】
【18评论】【2点赞】
【28评论】【10点赞】
【67评论】【18点赞】
【149评论】【8点赞】
作者最新文章
热门分类
汽车TOP
汽车最新文章